電話:400-9969-506
QQ:2741116952
郵箱:hongsen@hongszg.com
地址:深圳市龍華區(qū)龍華街道清湖社區(qū)清湖村寶能科技園12棟6層A座
貴州某白酒集團釀酒廠是國內著名的企業(yè),占地面積83畝,2013年投入使用。
項目簡介
眾所周知,酒廠在生產加工的過程中,會產生很多污水,其廢水主要分為工業(yè)污水和生活污水兩個部分。工業(yè)污水主要來源于釀酒底鍋水、沖洗晾堂水、蒸酒冷卻水、鍋爐房排水和洗瓶水。據統(tǒng)計,該酒廠日產污水為4000噸,酒廠污水主要含二氧化碳、酒精、甲醇、甲醛、乙醛、蛋白質、淀粉、纖維素、維生素等,如果不安裝釀酒污水處理設備,對環(huán)境的影響,其后果不可估量。

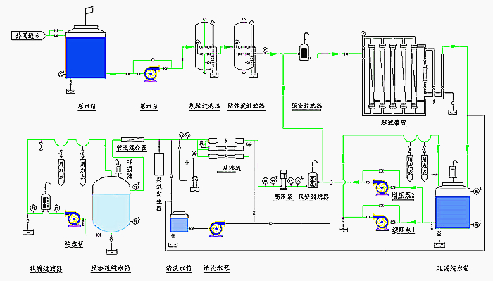
工藝流程

宏森環(huán)保設備優(yōu)勢:
1、技術成熟;
2、操作簡單;
3、出水穩(wěn)定;
4、投資低;
5、運行成本低。
處理結果:
經二合污水處理廠處理后的污水排放至赤水河,出水排放執(zhí)行《城鎮(zhèn)污水處理廠污染物排放標準》(GB18918-2002)一級B標準。